Paravent® : Système lesté d'habillage de machines, en aluminium, pour toiture-terrasse
Les avantages de Paravent

- Couleur au choix
- Conçu pour résister aux pressions du vent
- Simple et rapide à poser
- Pas de pont thermique
Présentation du système

Paravent est un système d’habillage de machines lesté permettant de masquer les équipements techniques (VMC, centrales de traitement d’air, etc.) en toiture-terrasse. Il constitue un élément architectural, en aluminium, permettant de valoriser les toitures-terrasses techniques.
Caractéristiques techniques
Le lestage, réalisé avec des contrepoids en PVC recyclé, préserve l'intégrité de la membrane d’étanchéité, conformément au DTU 43.1, et ne crée pas de pont thermique.
Paravent est conçu pour résister à des vents jusqu’à 100 km/h. Pour toute autre demande, merci de nous consulter.
Il est constitué de modules standards, faciles à transporter et à installer, ne nécessitant pas de plan de calepinage.

Description du système

Chaque élément constitue un module de 1100 mm de large et d'une hauteur réglable de 1358 à 1458 mm.
L’assemblage de chaque élément se fait sur chantier suivant la notice fournie par dani alu.
L’assemblage de chaque élément se fait sur chantier suivant la notice fournie par dani alu.
- Unité constitué de deux rails de 1250 mm, d'un fourreau et de quatre contrepoids de 12,5 kg
Éléments du système
- unité constitué de deux rails de 1250 mm, d’un fourreau et de quatre contrepoids de 12.5kg
- un panneau ajouré aux dimensions standards
- une main courante
- Une main courante
- Un panneau ajouré aux dimensions standards

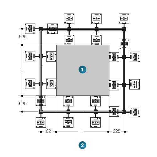
Détermination du nombre de modules

Sur transmission des dimensions de la zone des machines, dani alu se charge de calculer le nombre de modules nécessaires.
- Zone des machines
- Principe de détermination du nombre de modules
Accès aux machines
Pour accéder à la zone des machines une fois Paravent mis en place, on peut soit constituer une zone ouverte, soit inverser le panneau d'un module pour pouvoir le dévisser de l'extérieur.On peut accéder à la zone des machines par :
- Un corridor
- Le démontage d'un panneau Paravent
- Une zone ouverte
- Zones des machines

Systèmes de solins en aluminium
Systèmes de bande de rive et de rehausse d‘acrotère
Système de rehausse d’acrotère et de bandeau de façade
Systèmes de couvertine en aluminium
Système de collecteur et de descente d'eau pluviale
Bandes et boîtes pare-gravier
Système de protection mécanique des joints de dilatation pour parkings étanchés
Système d’arrêt de revêtement de chaussée et d’assise de caillebotis
Système de structure support pour équipement technique en toiture-terrasse
Système de support lesté pour équipement technique en toiture-terrasse
Système de structure support en toiture terrasse
Système lesté d’habillage de machines pour toiture-terrasse
Système de garde-corps de sécurité pour toiture-terrasse inaccessible au public
Système de garde-corps de sécurité pour toiture-terrasse inaccessible au public
Système de garde-corps de sécurité pour toiture-terrasse inaccessible au public
Structures supports pour panneaux solaires
Échelles à crinoline et sauts de loup
Chemin de circulation et d‘évacuation
Système de balisage en toiture-terrasse technique
Garde-corps à remplissage décoratif filant
Garde-corps à remplissage décoratif filant
Support de garde-corps barreaudé toute hauteur
Garde-corps en verre au design épuré
Garde-corps avec décor entre les montants
Ariana
Séparatif pour balcon et toiture-terrasse
Système de rejet d’eau pour façade et nez de balcon
Système d‘évacuation des eaux de balcon
Système d’habillage réglable pour la protection de nez de balcon
Système sur mesure pour la protection de nez de dalle
Profilés pour arrêt de carrelage et protection de nez de balcon
Système d'arrêts d'étanchéité et de protection des nez de balcon
Système de recouvrement de joint de façade
Système de profilés réglables pour départ d‘isolant de façade
Système de barre d’appui
Système d’appui de fenêtre
Système d’appui de fenêtre pour façade isolée
Système d'appui de fenêtre pour construction à ossature ou bardage bois
Solutions pour l'accessibilité aux personnes à mobilité réduite (PMR)
Systèmes de drainage des eaux d’enrobés
